Quoi de neuf ?
FlipperFrance

Quoi! Comment! Pas encore membre d'FF ! Franchissez le pas, incrscrivez vous avec le mail de votre F.A.I (VPN Exclus) et participez à la vie flippéristique

Question Aimants Last Action Hero

DGraff

Membres
Membre FF
Bonjour les flippeux,

J'ai récemment reçu ma carte aimants de chez Restorpinball (merci David ikoo)

Du coups en ce dimanche grisâtre je branche la carte et lance un test. s01

Ouais... j'vous entend d'ici...iSgratt ça à l'air beaucoup trop simple vi_vi

Donc, explication :
Une fois tous remonté je poses une bille dans un sachet en plastique sur le plateau, en mode diagnostique, je me met sur le test aiment et j'appuie sur le bouton start, et la, ça marche !! MAIS à peine une seconde, aprés plus rien...
F9 de la PPBoard à cramé, c'était un 4A au lieux de 5A, donc je met un 5A made in RP.
Haut les coeur, je relance le test j'appuie sur le bouton, et la, ça marche s01 à peut près une seconde, normale j'ai appuyé une seconde sur le bouton sup.
Mais jéjé faut pas le prendre pour un con, alors j'attend un peut et je rapuis sur le bouton ! Ça marche s01
Mais jéjé faut vraiment pas le prendre pour un con (et puis pourquoi j'aurais ouvert un sujet ?) alors j'attend encore un peut et j'appuie sur le bouton, et la, ba... Ça marchouille puis plus rien... les 3 fusibles de 4A made in RP on cramé...

Donc voilà vous savez tous...
Merci au possesseur de Last action héro de m'indiquer quel sont vaut fusibles.

Et j'oublier la résistance des 3 bobine est de 4.6 Ohms, j'avais contrôler avant (3 fois)
 
Normal pour les bobines
Bon les fusibles là il y a de la demande en courant et ce répétée pour les aimants
Essaye un peu le 5 Amp
Cela devrait aller
Mais bon si là cela crame encore, soit l'alim, la tension est mauvaise soit alors il y a un sac sur un des aimants
 
J'ai plus de 5A rool j'vais voir ça
C'est quoi un "Sac" (safety accident command ?) Ça ferait cramer les 3 fusible des magnet ?
 
Il y a un SAC = il y a une anomalie MDR
Oui expression d'ici :p
 
Alors si c'est une expression autant te dire que c'est pas d'm'un coin.

J'oubliais, c'est normale que ça fasse des zonzon plus fort que les zonszons habituelle quand les aimants ce mette en route ?

9 chances sur 10 que la réponse soit : oui puisque data est.:D
 
Ah non pas neuf sur dix ....mais 100/100

En fait quand l'alim se charge bien, cela s'entend car les tensions non régulées fluctuent
Tout à fait normal
 
ikoo
J'apporte des nouvelles, J'ai monté les fusible 5 ampères, il ne crame plus mais c'est f9 qui a cramé à l'allumage (même à 6 amperes)
En effet quelque bobine s'active à l allumage mais pas toujours je crois...
 
Aléatoirement les bobines ou toujours les mêmes ?
En tous cas cela n'a de rapport avec les aimants, je ne vois pas le lien là
 
Le lien c est que les bobines des aiment ce sont activé à l'allumage et on fait cramé f9
Je les ai entendue grâce au zonzon.
Peut être qu'elles se sont activé toute les 3 en même temps ?
Ce qui ne devrait pas ce produire normalement je pensse.
 
Non clairement

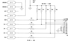
Commence alors par voir ton connecteur en haut à droite de la cpu
Les infos pour commander les aimants viennent de là
Regarde qu'il soit en bon état et pas du tout oxydé
Brosse (surtout ne lime pas) un peu le mâle et vérifie bien le femelle

Ta cpu est en bon état ?
 
si c'est la petite carte qui est sous le plateau qui gere les aimants il y a une petite modif a faire , rajouter un condos pour eviter ce probleme c'est de memoire la meme carte que sur le gun's roses , l'appel de courant perturbe et fait sauté les fusibles ref carte 520-5068-00 magnet controller board
 
Je reguarde ça ce week-end pour la cpu, tu n'a pas trouvé un liens sur ma carte alim ?

Non aucun liens

Sinon teste les sorties des transistors et teste bien les aimants
Pas que tu en aies un en CC

4.7 Ohm environ l'aimant
 
fait une photos de la carte qui gere les aimants svp
 
Salut tous le monde,
Je revient toujours avec mon "soucie" d'aimant sur LAH en effet j'ai le fusible F9 en 5 ampères qui clac après une dizaine de partie.
Il ne clac pas quand je supprime les aimants en retirant les fusibles sous plateau.
La carte aimant est neuve de chez RP.
Les aimants on entre 4.7 et 5 ohms.
Le connecteur en haut à droite de la cpu me semble bien propre.
 
Cela n'est ni la carte là et ni les aimants si cela tient 10 parties

Faudrait inspecter soit ta connectique, soit le +50V, et ou possiblement la cpu qui travaille un peu moins vite et le temps de commande serait augmenté (temps d'action des aimants)

Essaye une seule fois un fusible de 6 ou 6.3 Amp mais pas plus
Pour voir si cela tient plus longtemps (justement question temps courants appels)
 
J'ai essayé 6Amp, ça à claqué aussi.
J'ai fait plusieur test des aimants de 2 à 3 secondes en mode test + le ripper, nickel.
En jeu, nickel (avec en plus un long multibille)
Mais je suis persuadé d'avoir entendue les aimant en fin de partie, au moment de la loterie.
Du coup j'ai était directe vérifier avant de relancer une partie : F9 claqué.
Ce que j'ai entendu ressembler à un gros et long bourdonnement. (BRRRRRRRR) Comme si les 3 aimants c'était activé en même temps.
Pas comme quand on est en mode teste ou on entend les aimant un à un (Brr Brr Brr Brr Brr Brr)
 
Mais je suis persuadé d'avoir entendue les aimant en fin de partie, au moment de la loterie.
Du coup j'ai était directe vérifier avant de relancer une partie : F9 claqué.
Ce que j'ai entendu ressembler à un gros et long bourdonnement. (BRRRRRRRR) Comme si les 3 aimants c'était activé en même temps.
Pas comme quand on est en mode teste ou on entend les aimant un à un (Brr Brr Brr Brr Brr Brr)
Alors si je réfléchi "logique" cela serait un code en l'air et une donnée d'effacement qui n'existe pas

Regarde bien ta connectique, fil

Surtout le CLEAR

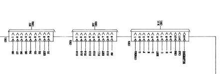
1769968521672.png

J1-broche 5
Ce fil on va dire donne l'ordre à la carte d'effacer les sorties, donc tout à "0"
Si en loterie tu aurais entendu un BWPPPPPPPPPPP fort, cela voudrait dire que les 3 aimants seraient commandés
Donc défaut d'effacement
Je réfléchis là suivant tes infos

Plus j'suis pas devin

Ceci remonte à la cpu

Simple à suivre

1769968635736.png

1769968700066.png

Plus là je ne sais dire hélas
 
J'ai vérifié la continuité entre J1-5 de la magnet board et Cn2-1 et c'est tous bon.
J'ai renfoncé les files pas acquis de conscience sur les connecteur autodénudant (en me disant que je les referais si ça continue même si ils on l'air OK).
En redémarrant le flip, après avoir changé de nouveau F9, il fait direct le bruit d'aimant, le temps de m'en apercevoir je coupe avant même qu'il boot complètement. J'rallume, plus de bruit, pourtant F9 n'a pas (encore) claqué les aimants fonctionne en test.
 
J'ai essayé de reproduire la situation en jeu, un long multi sur la 3ème bille puis je laisse tous couler, mais cette fois pas de problème, tous marche très bien...
Je te tiens au courant quand ça recommence.
Ça peu venir de la CPU ?
 
Retour
Haut Bas