Alors là j'ai pas les visEt par la même occasion, comme j’y suis et que le slimgshot Ass’y droit perd en puissance un équivalent des bobines AO -26-1200 voir photo ainsi que les vis pour tenir la platine au plateau car je viens de me rendre compte s’il y avait un manque oups
Voir la pièce jointe 58611Voir la pièce jointe 58612
Faudra faire gaffe avec cela, car le plateau est en résine composite ... Et les vis faut qu'elles aillent dans les trous s'il reste de la matière
S'il y en a plus faudra remplir de fibre de verres (synthofer) et après faire un petit trou et mettre une vis
Attention au trou et vis, surtout que cela ne perce pas le plateau de part en part !!! bien faire une butée de longueur de perçage
Pour le reste la bobine, ne s'use pas
Cela marche OU PAS
Si cela merde en puissance c'est soit que c'est tout cracra dedans, soit que la partie mécanique est usée
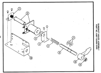
Fait moi voir le type de sling que tu as, c'est normalement un axe plein, avec deux circlips et un gros merdier au centre
Genre cela n'est ce pas
